
Hydrocarbon Data System, Inc. Generalmente conocido como HDS 2000, es un proveedor de programas para análisis de registros de pozo y petrofísica para Geólogos, Ingenieros y Petrofísicos.
El programa de análisis de registros, que trabaja únicamente bajo entorno Windows (32-bit y 64-bit), toma la información digital de su área y la convierte en una base de datos Access, sin embargo, no lo convierte en una limitante para el manejo de gran volumen de información.
Igualmente, HDS 2000 maneja gran cantidad de formatos para la integración de variedad de información:
- 1 valor por profundidad
- Hueco Abierto (Open-Hole) y Hueco Cerrado (Cased-Hole)
- Núcleos
- Registros LWD (Logging While Drilling) y Wireline
- Información MWD (Measured While Drilling)
- Registros de Mudlogging
- Formatos como .LAS, ASCII, Excel, DLIS, LIS, Tablas Digitalizadas, entradas con el teclado, BitMaps, EMF Metafiles, CGM, entre otros
Explorador de archivos
– Detalles del proyecto
- Encuentre fácilmente su proyecto por operador o nombres de pozo.
- Visualice y expanda a nivel de detalle las series de datos, información de pozo, survey direccional, etc.
- Visualice todos los detalles de la información almacenada en su proyecto.
- Visualice todas las curvas existentes en su set de datos como Gr, Phie, Sw, etc., además de la versión de creación de cada una de ellas.
Información de pozo
– Ambiente del hueco
- Comúnmente conocido como Rmf e información de corrida, usualmente vista en todos los cabezales de los registros de pozo.
- Código de colores para resaltar la información que
es crítica para algunos cálculos requeridos en el pozo, y que se debe tener previo
a cualquier análisis. Rojo: Información obligatorio, amarillo: Por defecto, azul o amarillo: Información
importada desde el archivo LAS, o modificados manualmente.
- Posibilidad de agregar más de 16 corridas de herramientas para información de Wireline o LWD (Logging While Drilling).
Información de núcleos
HDS2000 incluye una lista de herramientas de edición de la información de la base de datos como:
- Edición de hojas de cálculo
- Suavizado de las curvas
- Desplazamiento de la línea base
- Edición de las curvas
- Correcciones Ambientales
- Caja de herramientas de otras correcciones de curvas, entre otras.
- Incorporar imágenes e información de Núcleos
- Amarrar y correlacionar información de núcleos a los registros Wireline.
- Desplazar y ajustar todos los registros de imagen en conjunto o de forma individual
- Revisión del desplazamiento y ajuste
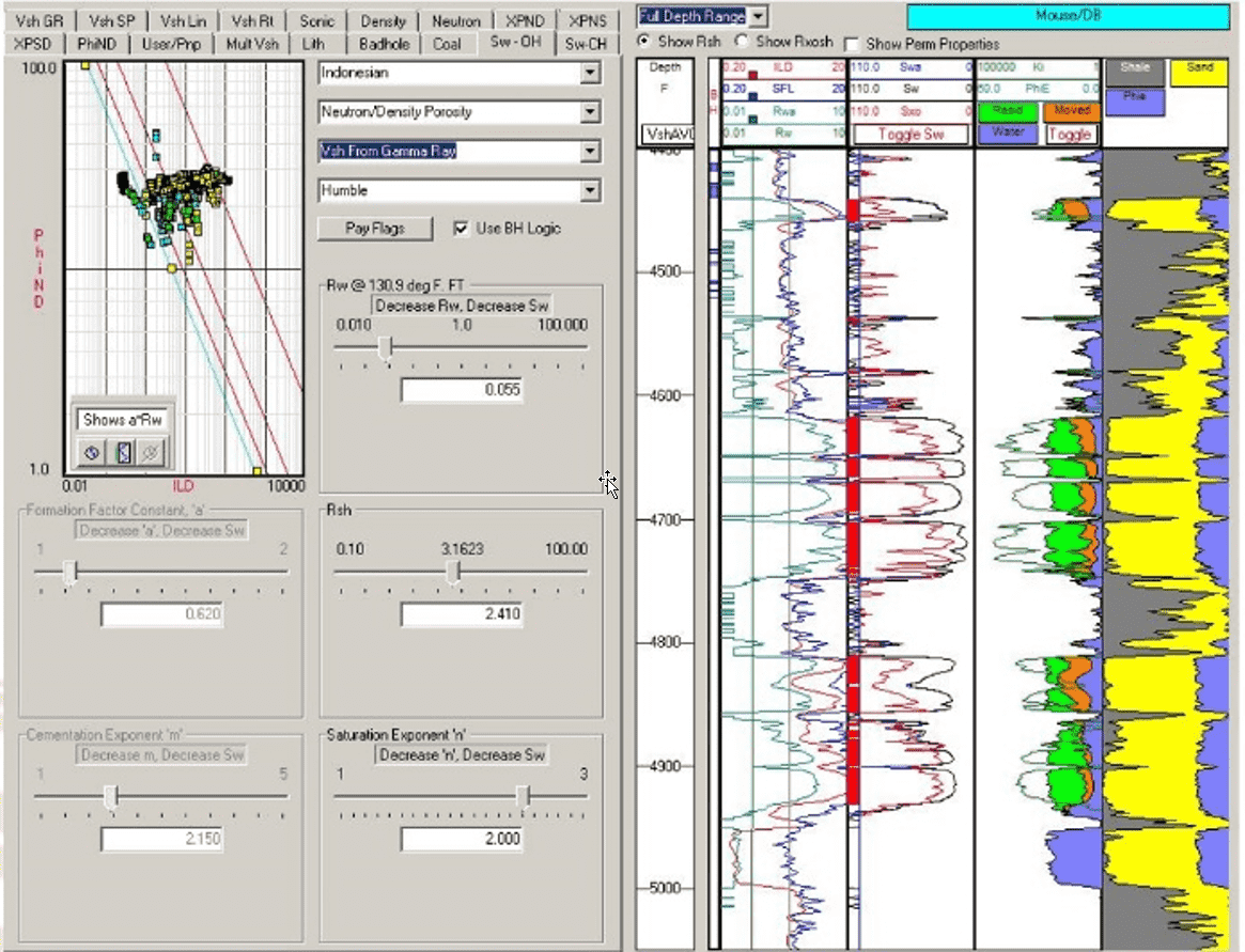
Despliegue visual de los cálculos
- Herramienta interactiva de Cálculos para el procesamiento de los registros Wireline y de hueco cerrado.
- El despliegue de los resultados se hace de forma inmediata opcionalmente, ya que los parámetros ya se encuentran configurados.
- Cada paso incluye curvas de ingreso y curvas de salida, Cross Plots para la identificación de zonas, parámetros y opciones de celda, entre otras.
- Con HDS2000 tiene una visualización completa para el control de la información de ingreso, procesamiento y resultados petrofísicos.

-
Además de lo anterior incluye herramientas para:
• Procesamiento de arenas arcillosas.
• Vista rápida de arenas arcillosas gasíferas.
• Procesamiento personalizado.
• Vista y procesamiento con Cross Plot Multi-Pozo.
• Reportes y resultados con resumen del Play.
• Estimación de Reservas de petróleo y gas.
• Plataforma interactiva para generación de los registros de pozo.
• Secciones transversales para correlación.